| توافر الحالة: | |
|---|---|
FCST-TH-SMC02
FCST

تطبيق المنتج

ملاحظة: التطبيق العملي لغرفة التفتيش المركبة هذه، يغطي العديد من المجالات مثل الإدارة البلدية، والطاقة الكهربائية، والكهرباء، والمياه، وإدارة الطرق، والصرف الصحي.

منتج مزايا
lمقاومة قوية للتآكل
lمقاومة جيدة لدرجات الحرارة العالية والمنخفضة
lيمكن أن تكون غرفة التفتيش SMC القابلة للطي بالكابل سهلة التركيب
lوسائل النقل المريحة وخفض التكاليف
lعمر خدمة طويل لغرفة التفتيش هذه
lارتفاع غرفة الوصول قابل للتعديل

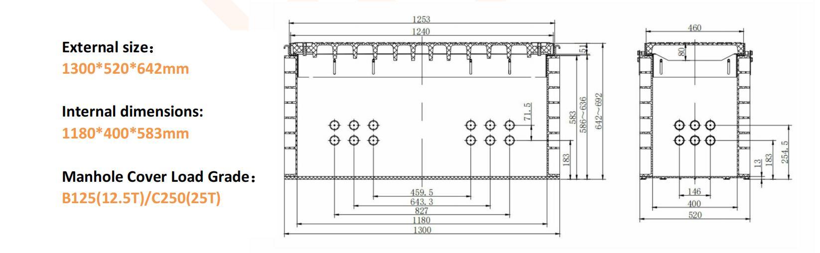
حجم المنتج

مواصفات المنتج
تتوافق جميع المنتجات مع معايير EN124:1994.
المواد الكيميائية Rالمقاومة Pالأداء
مواد كيميائية | مركزة Sكبري Aالبحث الجنائي | Sأوديون Hهيدروكسيد | Sأوديون Cكلوريد |
امتحان Cالشروط | منقوع في المحلول المحدد لمدة 48 ساعة | ||
نتائج الإختبار | لا يوجد تآكل واضح على السطح، فقدان الجودة أقل من 1% | ||
الأداء الميكانيكي
أغراض | رقم قياسي | متطلبات | نتائج الإختبار |
قوة الشد | جيجابايت/T1447-2005 | ≥100 ميجا باسكال | 105 ميجا باسكال |
معامل الشد | جيجابايت/T1447-2005 | ≥10 جيجا باسكال | 11.8 جيجا باسكال |
قوة الانحناء | جيجابايت/T1449-2005 | ≥200 ميجا باسكال | 213 ميجا باسكال |
معامل العاطفة | جيجابايت/T1449-2005 | ≥10 جيجا باسكال | 11.3 جيجا باسكال |
صلابة التأثير | جيجابايت/T1451-2005 | ≥80 كيلوجول/㎡ | 90.8 كيلوجول/㎡ |
صلابة بار | جيجابايت/T3854-2005 | ≥50 | 56 |
تحميل الغرفة
نوع الغرفة | FCST-TH-SMC02 |
تحميل الاختبار المحوري | 100 كيلو نيوتن |
تحميل الاختبار الجانبي | 40 كيلو نيوتن |
الأداء الحراري
أغراض | رقم قياسي | نتائج الإختبار |
حرارة تشويه الحرارة | جيجابايت/T1634.2-2004 | > 200°C |
قوة الانحناء | جيجابايت/T9979- 2005(-40°ج) | 265 ميجا باسكال |
معامل العاطفة | جيجابايت/T9979- 2005(-40°ج) | 1.43x10^(4) MPa |
معدل الاحتفاظ بقوة الانحناء | جيجابايت/T9979- 2005(-40°ج) | 124% |
معدل الاحتفاظ بمعامل الانحناء | جيجابايت/T9979- 2005(-40°ج) | 11.16% |
معامل التمدد الخطي | ب/T2572-205 | 1.66x10^(-5) |
على كل جانب من المنتج، يتم حجز 6 فتحات حفر في المصنع، ويوجد فتحة ثقب.يمكن تعديل حجم ثقب الحفر في موقع البناء وفقًا للحجم الفعلي لأنابيب السيليكون HDPE/القناة الدقيقة HDPE.

إطار ثابت FOSC اختياري

التعبئة Aاختصار الثاني Tالنقل
وصف التعبئة
نظرًا للخصائص الهيكلية للمنتج، يمكن اختيار عبوات المصنع وفقًا للاحتياجات الفعلية للعملاء ومسافات النقل وطرق النقل.
التفكيك والنقل
هيكل غرفة ثقب الاتصالات بسيطة وسهلة التفكيك، ويمكن تقسيم جميع المكونات إلى أجزاء منفصلة، وهي مكدسة ومجمعة مسطحة.إنها تشغل مساحة صغيرة، وتكلفة نقل منخفضة، والتفكيك والتجميع أكثر ملاءمة استقرار المنتج، وهو مناسب للنقل وتلف البضائع صغير.
البليت Sإيزي | Pالمنتج Wثمانية(كلغ) | البليت Cالقدرة | حاوية Lتحميل Cالقدرة (حاوية 40GP,حد الوزن 26 طن) |
FCST-TH-SMC02 (1150 مم × 1350 مم × 2250 مم) | 100.8 | 20 مجموعة | 290 مجموعات |

نقل المنتج النهائي
بعد التجميع، يتم وضع المكونات الرئيسية في البليت، ثم يتم تجميعها وتعبئتها بإحكام.توفير وقت التجميع و تحسين جودة النقل.وفقا لأنواع المنتجات المختلفة، يمكنها بشكل عام أن تحمل 12 أو 6 مجموعة من المنتجات لتحقيق الكفاءة مواصلات.
البليت Sإيزي | Pالمنتج Wثمانية(كلغ) | البليت Cالقدرة | حاوية Lتحميل Cالقدرة (حاوية 40GP,الحد الأقصى للوزن 26 طنًا) |
FCST-TH-SMC02 (1150 مم × 1350 مم × 2250 مم) | 100.8 | 6مجموعات | 108مجموعات |




تطبيق المنتج

ملاحظة: التطبيق العملي لغرفة التفتيش المركبة هذه، يغطي العديد من المجالات مثل الإدارة البلدية، والطاقة الكهربائية، والكهرباء، والمياه، وإدارة الطرق، والصرف الصحي.

منتج مزايا
lمقاومة قوية للتآكل
lمقاومة جيدة لدرجات الحرارة العالية والمنخفضة
lيمكن أن تكون غرفة التفتيش SMC القابلة للطي بالكابل سهلة التركيب
lوسائل النقل المريحة وخفض التكاليف
lعمر خدمة طويل لغرفة التفتيش هذه
lارتفاع غرفة الوصول قابل للتعديل

حجم المنتج

مواصفات المنتج
تتوافق جميع المنتجات مع معايير EN124:1994.
المواد الكيميائية Rالمقاومة Pالأداء
مواد كيميائية | مركزة Sكبري Aالبحث الجنائي | Sأوديون Hهيدروكسيد | Sأوديون Cكلوريد |
امتحان Cالشروط | منقوع في المحلول المحدد لمدة 48 ساعة | ||
نتائج الإختبار | لا يوجد تآكل واضح على السطح، فقدان الجودة أقل من 1% | ||
الأداء الميكانيكي
أغراض | رقم قياسي | متطلبات | نتائج الإختبار |
قوة الشد | جيجابايت/T1447-2005 | ≥100 ميجا باسكال | 105 ميجا باسكال |
معامل الشد | جيجابايت/T1447-2005 | ≥10 جيجا باسكال | 11.8 جيجا باسكال |
قوة الانحناء | جيجابايت/T1449-2005 | ≥200 ميجا باسكال | 213 ميجا باسكال |
معامل العاطفة | جيجابايت/T1449-2005 | ≥10 جيجا باسكال | 11.3 جيجا باسكال |
صلابة التأثير | جيجابايت/T1451-2005 | ≥80 كيلوجول/㎡ | 90.8 كيلوجول/㎡ |
صلابة بار | جيجابايت/T3854-2005 | ≥50 | 56 |
تحميل الغرفة
نوع الغرفة | FCST-TH-SMC02 |
تحميل الاختبار المحوري | 100 كيلو نيوتن |
تحميل الاختبار الجانبي | 40 كيلو نيوتن |
الأداء الحراري
أغراض | رقم قياسي | نتائج الإختبار |
حرارة تشويه الحرارة | جيجابايت/T1634.2-2004 | > 200°C |
قوة الانحناء | جيجابايت/T9979- 2005(-40°ج) | 265 ميجا باسكال |
معامل العاطفة | جيجابايت/T9979- 2005(-40°ج) | 1.43x10^(4) MPa |
معدل الاحتفاظ بقوة الانحناء | جيجابايت/T9979- 2005(-40°ج) | 124% |
معدل الاحتفاظ بمعامل الانحناء | جيجابايت/T9979- 2005(-40°ج) | 11.16% |
معامل التمدد الخطي | ب/T2572-205 | 1.66x10^(-5) |
على كل جانب من المنتج، يتم حجز 6 فتحات حفر في المصنع، ويوجد فتحة ثقب.يمكن تعديل حجم ثقب الحفر في موقع البناء وفقًا للحجم الفعلي لأنابيب السيليكون HDPE/القناة الدقيقة HDPE.

إطار ثابت FOSC اختياري

التعبئة Aاختصار الثاني Tالنقل
وصف التعبئة
نظرًا للخصائص الهيكلية للمنتج، يمكن اختيار عبوات المصنع وفقًا للاحتياجات الفعلية للعملاء ومسافات النقل وطرق النقل.
التفكيك والنقل
هيكل غرفة ثقب الاتصالات بسيطة وسهلة التفكيك، ويمكن تقسيم جميع المكونات إلى أجزاء منفصلة، وهي مكدسة ومجمعة مسطحة.إنها تشغل مساحة صغيرة، وتكلفة نقل منخفضة، والتفكيك والتجميع أكثر ملاءمة استقرار المنتج، وهو مناسب للنقل وتلف البضائع صغير.
البليت Sإيزي | Pالمنتج Wثمانية(كلغ) | البليت Cالقدرة | حاوية Lتحميل Cالقدرة (حاوية 40GP,حد الوزن 26 طن) |
FCST-TH-SMC02 (1150 مم × 1350 مم × 2250 مم) | 100.8 | 20 مجموعة | 290 مجموعات |

نقل المنتج النهائي
بعد التجميع، يتم وضع المكونات الرئيسية في البليت، ثم يتم تجميعها وتعبئتها بإحكام.توفير وقت التجميع و تحسين جودة النقل.وفقا لأنواع المنتجات المختلفة، يمكنها بشكل عام أن تحمل 12 أو 6 مجموعة من المنتجات لتحقيق الكفاءة مواصلات.
البليت Sإيزي | Pالمنتج Wثمانية(كلغ) | البليت Cالقدرة | حاوية Lتحميل Cالقدرة (حاوية 40GP,الحد الأقصى للوزن 26 طنًا) |
FCST-TH-SMC02 (1150 مم × 1350 مم × 2250 مم) | 100.8 | 6مجموعات | 108مجموعات |




