| توافر الحالة: | |
|---|---|
FCST-TH-SMC01
FCST

تطبيق المنتج
نوع الغرفة | FCST-TH-SMC01 |
تحميل الاختبار المحوري | 100kn |
تحميل الاختبار الجانبي | 40kn |

منتج dvantages
مقاومة تآكل قوية.
مقاومة جيدة لدرجة حرارة عالية ومنخفضة.
تسهيل التثبيت.
مريحة للنقل وخفض التكاليف.
خدمة الخدمة الطويلة (30 عامًا).
ارتفاع قابل للتعديل.
ثقب الاتصالات للاتصالات لإدارة كابلات الاتصال

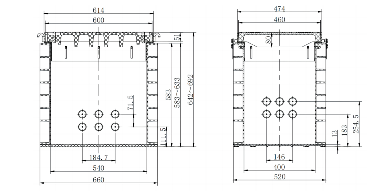
حجم المنتج
الحجم الخارجي (l*w*h) | الأبعاد الداخلية (l*w*h) | درجة تحميل غطاء فتحة الفتحة |
660*520*642mm | 540*400*583mm (21.26 'x15.749 ' x22.953 ') | B125 (12.5T)/C250 (25T)/D400 (40T) |

طلب i nformation

fosc f ixed f rame اختياري

مواصفات المنتج
جميع المنتجات تمتثل لمعايير EN124: 1994.
الكيميائية r esistance p erformance
المواد الكيميائية | مركزة S Ulfuric A CID | s odium h ydroxide | s odium c horide |
اختبار ج onditions | غارقة في الحل المحدد لـ 48 ساعة | ||
نتائج الاختبار | لا يوجد تآكل واضح على السطح ، Qualityloss <1 ٪ | ||
الأداء الميكانيكي
أغراض | رقم قياسي | متطلبات | نتائج الاختبار |
قوة الشد | GB/T1447-2005 | ≥ 100mpa | 105mpa |
معامل الشد | GB/T1447-2005 | ≥ 10GPA | 11.8GPA |
قوة الانحناء | GB/T1449-2005 | ≥ 200mpa | 213MPA |
معامل الانثناء | GB/T1449-2005 | ≥ 10GPA | 11.3GPA |
تأثير المتانة | GB/T1451-2005 | ≥ 80kj/ | 90.8kj/ |
صلابة بار | GB/T3854-2005 | ≥50 | 56 |
تحميل الغرفة
نوع الغرفة | FCST-TH-SMC01 |
تحميل الاختبار المحوري | 100kn |
تحميل الاختبار الجانبي | 40kn |
الأداء الحراري
أغراض | رقم قياسي | نتائج الاختبار |
درجة حرارة تشويه الحرارة | GB/T1634.2-2004 | > 200 درجة مئوية |
قوة الانحناء | GB/T9979- 2005 (-40 درجة مئوية) | 265MPA |
معامل الانثناء | GB/T9979- 2005 (-40 درجة مئوية) | 1.43x10^(4) MPA |
معدل الاحتفاظ بقوة الانحناء | GB/T9979- 2005 (-40 درجة مئوية) | 124 ٪ |
معدل الاحتفاظ معامل الانثناء | GB/T9979- 2005 (-40 درجة مئوية) | 11.16 ٪ |
معامل التوسع الخطي | B/T2572-205 (26 درجة مئوية ~ 100° C) | 1.66x10^(-5) |
على كل جانب من المنتجات ، 6 يتم حجز ثقوب الحفر في المصنع ، وهناك فتحة ثقب . يمكن أن يكون حجم ثقب الحفر
يتم ضبطها في موقع البناء وفقًا للحجم الفعلي لأنبوب السيليكون HDPE / قناة HDPE .

تعبئة عملية الطرف
وصف التعبئة
نظرًا للخصائص الهيكلية للمنتج ، يمكن اختيار عبوة المصنع وفقًا للاحتياجات الفعلية للعملاء ومسافات النقل وطرق النقل.
التفكيك والنقل
بنية المنتج بسيطة وسهلة التفكيك ، ويمكن تقسيم جميع المكونات إلى أجزاء منفصلة ، وهي مكدسة وتجميعها. إنها تحتل مساحة صغيرة ، وتكلفة نقل منخفضة ، وتفكيك وتجميع أكثر مواتية لاستقرار المنتج ، فهي مريحة للنقل وأضرار البضائع صغيرة.
البليت s ايز | P roduct W ثمانية | البليت C apacity | حاوية l oading c apacity (الحد الأقصى لوزن الحاوية 40GP ,26 طن ) |
FCST-TH-SMC01 (1150mmx1350mmx2250mm) | 65.9 | 40 مواقع | 388مجموعات |

نقل المنتج النهائي
بعد التجميع ، يتم وضع المكونات الرئيسية في البليت ، ثم تم تجميعها ومعبأة بإحكام. وفر وقت التجميع وتحسين جودة النقل. وفقًا لأنواع المنتجات المختلفة ، يمكن أن تحمل عمومًا 12 أو 6 مجموعات من المنتجات لنقل فعال.
البليت s ايز | P roduct W ثمانية | البليت C apacity | حاوية l oading c apacity (الحد الأقصى لوزن الحاوية 40GP ,26 طن ) |
FCST-TH-SMC01 (1150mmx1350mmx2250mm) | 65.9 | 12مجموعات | 216مجموعات |


تطبيق المنتج
نوع الغرفة | FCST-TH-SMC01 |
تحميل الاختبار المحوري | 100kn |
تحميل الاختبار الجانبي | 40kn |

منتج dvantages
مقاومة تآكل قوية.
مقاومة جيدة لدرجة حرارة عالية ومنخفضة.
تسهيل التثبيت.
مريحة للنقل وخفض التكاليف.
خدمة الخدمة الطويلة (30 عامًا).
ارتفاع قابل للتعديل.
ثقب الاتصالات للاتصالات لإدارة كابلات الاتصال

حجم المنتج
الحجم الخارجي (l*w*h) | الأبعاد الداخلية (l*w*h) | درجة تحميل غطاء فتحة الفتحة |
660*520*642mm | 540*400*583mm (21.26 'x15.749 ' x22.953 ') | B125 (12.5T)/C250 (25T)/D400 (40T) |

طلب i nformation

fosc f ixed f rame اختياري

مواصفات المنتج
جميع المنتجات تمتثل لمعايير EN124: 1994.
الكيميائية r esistance p erformance
المواد الكيميائية | مركزة S Ulfuric A CID | s odium h ydroxide | s odium c horide |
اختبار ج onditions | غارقة في الحل المحدد لـ 48 ساعة | ||
نتائج الاختبار | لا يوجد تآكل واضح على السطح ، Qualityloss <1 ٪ | ||
الأداء الميكانيكي
أغراض | رقم قياسي | متطلبات | نتائج الاختبار |
قوة الشد | GB/T1447-2005 | ≥ 100mpa | 105mpa |
معامل الشد | GB/T1447-2005 | ≥ 10GPA | 11.8GPA |
قوة الانحناء | GB/T1449-2005 | ≥ 200mpa | 213MPA |
معامل الانثناء | GB/T1449-2005 | ≥ 10GPA | 11.3GPA |
تأثير المتانة | GB/T1451-2005 | ≥ 80kj/ | 90.8kj/ |
صلابة بار | GB/T3854-2005 | ≥50 | 56 |
تحميل الغرفة
نوع الغرفة | FCST-TH-SMC01 |
تحميل الاختبار المحوري | 100kn |
تحميل الاختبار الجانبي | 40kn |
الأداء الحراري
أغراض | رقم قياسي | نتائج الاختبار |
درجة حرارة تشويه الحرارة | GB/T1634.2-2004 | > 200 درجة مئوية |
قوة الانحناء | GB/T9979- 2005 (-40 درجة مئوية) | 265MPA |
معامل الانثناء | GB/T9979- 2005 (-40 درجة مئوية) | 1.43x10^(4) MPA |
معدل الاحتفاظ بقوة الانحناء | GB/T9979- 2005 (-40 درجة مئوية) | 124 ٪ |
معدل الاحتفاظ معامل الانثناء | GB/T9979- 2005 (-40 درجة مئوية) | 11.16 ٪ |
معامل التوسع الخطي | B/T2572-205 (26 درجة مئوية ~ 100° C) | 1.66x10^(-5) |
على كل جانب من المنتجات ، 6 يتم حجز ثقوب الحفر في المصنع ، وهناك فتحة ثقب . يمكن أن يكون حجم ثقب الحفر
يتم ضبطها في موقع البناء وفقًا للحجم الفعلي لأنبوب السيليكون HDPE / قناة HDPE .

تعبئة عملية الطرف
وصف التعبئة
نظرًا للخصائص الهيكلية للمنتج ، يمكن اختيار عبوة المصنع وفقًا للاحتياجات الفعلية للعملاء ومسافات النقل وطرق النقل.
التفكيك والنقل
بنية المنتج بسيطة وسهلة التفكيك ، ويمكن تقسيم جميع المكونات إلى أجزاء منفصلة ، وهي مكدسة وتجميعها. إنها تحتل مساحة صغيرة ، وتكلفة نقل منخفضة ، وتفكيك وتجميع أكثر مواتية لاستقرار المنتج ، فهي مريحة للنقل وأضرار البضائع صغيرة.
البليت s ايز | P roduct W ثمانية | البليت C apacity | حاوية l oading c apacity (الحد الأقصى لوزن الحاوية 40GP ,26 طن ) |
FCST-TH-SMC01 (1150mmx1350mmx2250mm) | 65.9 | 40 مواقع | 388مجموعات |

نقل المنتج النهائي
بعد التجميع ، يتم وضع المكونات الرئيسية في البليت ، ثم تم تجميعها ومعبأة بإحكام. وفر وقت التجميع وتحسين جودة النقل. وفقًا لأنواع المنتجات المختلفة ، يمكن أن تحمل عمومًا 12 أو 6 مجموعات من المنتجات لنقل فعال.
البليت s ايز | P roduct W ثمانية | البليت C apacity | حاوية l oading c apacity (الحد الأقصى لوزن الحاوية 40GP ,26 طن ) |
FCST-TH-SMC01 (1150mmx1350mmx2250mm) | 65.9 | 12مجموعات | 216مجموعات |
