| توافر الحالة: | |
|---|---|
FCST-TH-SMC03
FCST
FCST-TH-SMC03
نظرة عامة على المنتج
تم تصميم غرفة فتحة الاتصالات FCST-TH-SMC03 بدقة لتوفير حلول شاملة للحماية والتخزين وتركيب المعدات والصيانة لوضع صناديق توصيل الألياف الضوئية ومنتجات الكابلات تحت الأرض. لا يتميز هذا المنتج فقط بالثبات العالي، وعمر الخدمة الممتد، ومقاومة الضغط الاستثنائية، ولكنه يسهل أيضًا تجميع الوصف السهل.
مقاومة ممتازة للتآكل والطقس.
العزل الكهربائي الجيد ومثبطات اللهب.
يمكن تكديس العمق وفقًا للمتطلبات.
تصميم خفيف الوزن باستخدام مواد مركبة SMC.
يتوافق مع معيار EN124.(B125 (12.5T)/C250 (25T)) .
الهيكل الجاهز يقلل من تكاليف البناء في الموقع.
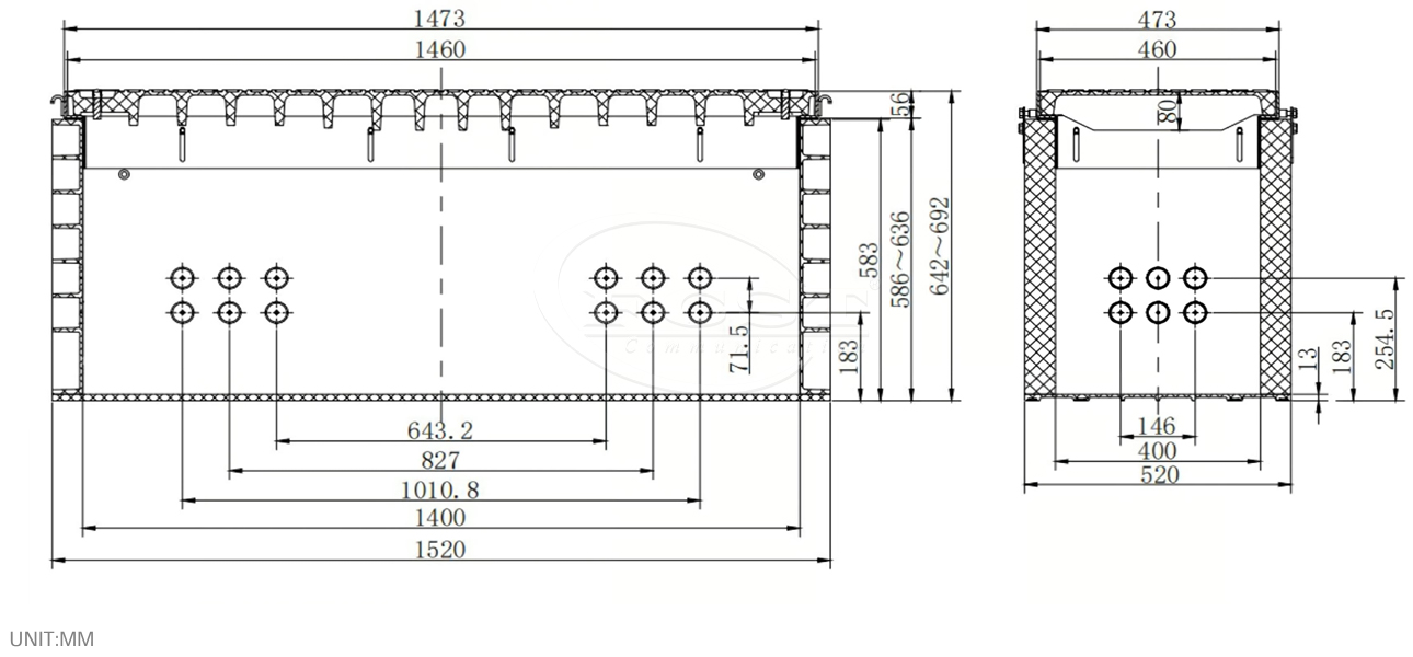
الأبعاد الداخلية: 1400*400*583 مللي متر (55.119 بوصة × 15.749 بوصة × 22.953 بوصة).
يتم ترتيب أدوات التقوية العرضية والعمودية حول الجانب الخارجي للعمود، كما يتم دمجها بشكل وثيق مع طبقة التربة المدكوكة. ليس من السهل تحريكها وتخفيفها بعد التدحرج.
أيونات مواصفات المنتج
| بناء | وصف |
| المعيار التنفيذي | EN124 |
| مادة | SMC |
| درجة تحميل غطاء فتحة الفتحة | B125 (12.5 طن) |C250 (25 طن) |
| طول | 1400.00 ملم | 55.119 بوصة |
| عرض | 400.00 ملم | 15.749 بوصة |
| عمق | 583.00 ملم | 22.953 بوصة |
| وزن | 118 كجم (طبقة واحدة) |
| درجة مثبطات اللهب | V0 |
| شعار المتطلبات البيئية | تلبية ROHS المتاحة |
| درجة حرارة العمل | -40 درجة مئوية ~ +65 درجة مئوية |
| درجة حرارة التخزين | -40 درجة مئوية ~ +70 درجة مئوية |
| خدمة الحياة | 30 سنة |
حجم المنتج
| الحجم الخارجي (الطول * العرض * العمق) | الأبعاد الداخلية (الطول*العرض*العمق) | درجة تحميل غطاء فتحة الفتحة |
| 1520*520*642 ملم (59.843 بوصة × 20.473 بوصة × 25.276 بوصة) | 1400*400*583 ملم (55.119 بوصة × 15.749 بوصة × 22.953 بوصة) | B125 (12.5T)/C250 (25T)/D400 (40T) |
تطبيق المنتج
ملاحظة: التطبيق العملي لغرفة التفتيش المركبة هذه، يغطي العديد من المجالات مثل الإدارة البلدية والطاقة الكهربائية والكهرباء والمياه وإدارة الطرق والصرف الصحي.
على كل جانب من المنتج. يمكن تعديل حجم ثقب الحفر في موقع البناء وفقًا للحجم الفعلي لأنابيب السيليكون HDPE/القناة الدقيقة HDPE.
نظرة عامة على المنتج
تم تصميم غرفة فتحة الاتصالات FCST-TH-SMC03 بدقة لتوفير حلول شاملة للحماية والتخزين وتركيب المعدات والصيانة لوضع صناديق توصيل الألياف الضوئية ومنتجات الكابلات تحت الأرض. لا يتميز هذا المنتج فقط بالثبات العالي، وعمر الخدمة الممتد، ومقاومة الضغط الاستثنائية، ولكنه يسهل أيضًا تجميع الوصف السهل.
مقاومة ممتازة للتآكل والطقس.
العزل الكهربائي الجيد ومثبطات اللهب.
يمكن تكديس العمق وفقًا للمتطلبات.
تصميم خفيف الوزن باستخدام مواد مركبة SMC.
يتوافق مع معيار EN124.(B125 (12.5T)/C250 (25T)) .
الهيكل الجاهز يقلل من تكاليف البناء في الموقع.
الأبعاد الداخلية: 1400*400*583 مللي متر (55.119 بوصة × 15.749 بوصة × 22.953 بوصة).
يتم ترتيب أدوات التقوية العرضية والعمودية حول الجانب الخارجي للعمود، كما يتم دمجها بشكل وثيق مع طبقة التربة المدكوكة. ليس من السهل تحريكها وتخفيفها بعد التدحرج.
أيونات مواصفات المنتج
| بناء | وصف |
| المعيار التنفيذي | EN124 |
| مادة | SMC |
| درجة تحميل غطاء فتحة الفتحة | B125 (12.5 طن) |C250 (25 طن) |
| طول | 1400.00 ملم | 55.119 بوصة |
| عرض | 400.00 ملم | 15.749 بوصة |
| عمق | 583.00 ملم | 22.953 بوصة |
| وزن | 118 كجم (طبقة واحدة) |
| درجة مثبطات اللهب | V0 |
| شعار المتطلبات البيئية | تلبية ROHS المتاحة |
| درجة حرارة العمل | -40 درجة مئوية ~ +65 درجة مئوية |
| درجة حرارة التخزين | -40 درجة مئوية ~ +70 درجة مئوية |
| خدمة الحياة | 30 سنة |
حجم المنتج
| الحجم الخارجي (الطول * العرض * العمق) | الأبعاد الداخلية (الطول*العرض*العمق) | درجة تحميل غطاء فتحة الفتحة |
| 1520*520*642 ملم (59.843 بوصة × 20.473 بوصة × 25.276 بوصة) | 1400*400*583 ملم (55.119 بوصة × 15.749 بوصة × 22.953 بوصة) | B125 (12.5T)/C250 (25T)/D400 (40T) |
تطبيق المنتج
ملاحظة: التطبيق العملي لغرفة التفتيش المركبة هذه، يغطي العديد من المجالات مثل الإدارة البلدية والطاقة الكهربائية والكهرباء والمياه وإدارة الطرق والصرف الصحي.
على كل جانب من المنتج. يمكن تعديل حجم ثقب الحفر في موقع البناء وفقًا للحجم الفعلي لأنابيب السيليكون HDPE/القناة الدقيقة HDPE.